15个常见的电工中级电路图
电工电路图相信对于每一个电工而言都不陌生,电路图能够直观清楚的说明电路的原理和设备的具体使用情况,可以毫不含糊地说,电路图是电工基础中的基础,看懂电路图是学习电工的第一步,也是最重要的一步。
下面列举最基础的电路图。
1,单相双电源自动切换电路。
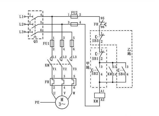
15,三相电动机异地启动控制电路。

熟练的掌握电路图的基本原理是排查故障的第一步,电路原理图是电工作业中的重要组成部分,也是每一个电力人员必备的技能。
免责声明:文章来源于网络或个人发表,如有侵权请联系删除(13802804900)
下面列举最基础的电路图。
1,单相双电源自动切换电路。

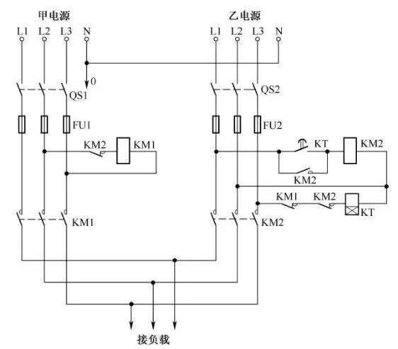
2,三相双电源自动切换电路。

3,一个按钮控制电动机启动和停止电路。

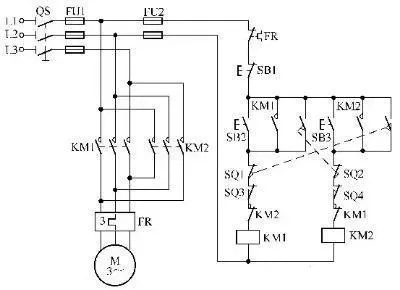
4,三相交流电动机自动往返+过限位保护电路。

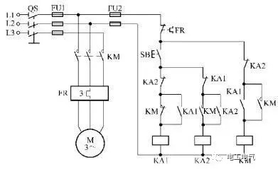
5,两台电动机顺序启动,逆序停止电路。

6,三相电动机正反转+互锁控制电路。

7,电动机自耦变压器降压启动控制电路。

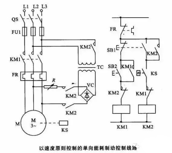
8,以速度原则控制的单向能耗制动控制电路。

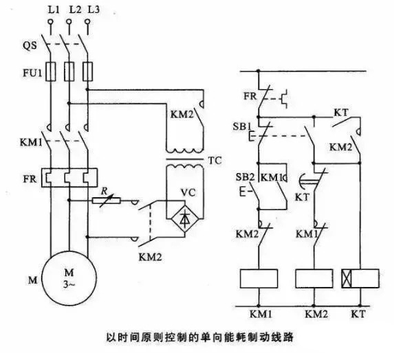
9,以时间原则控制的单向能耗制动控制电路。

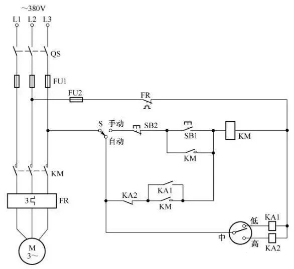
10,双速电动机调速控制电路。

11,电动机星三角降压启动电路。

12,电接点水位控制电路。

13,锅炉自动调温原理图。

14,电动葫芦电气控制线路。

15,三相电动机异地启动控制电路。

熟练的掌握电路图的基本原理是排查故障的第一步,电路原理图是电工作业中的重要组成部分,也是每一个电力人员必备的技能。
免责声明:文章来源于网络或个人发表,如有侵权请联系删除(13802804900)



