变频器的结构原理图解
可以简单的说,交交变频器需要使用太多元件,不好控制,而交直交使用的元件少,控制简单,所以目前大多使用交直交结构的变频器。
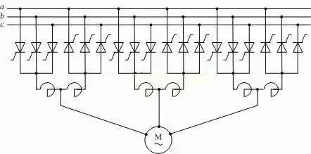
1、变频器的发展也同样要经历一个徐徐渐进的过程,最初的变频器并不是采用这种交直交:交流变直流而后再变交流这种拓扑,而是直接交交,无中间直流环节。这种变频器叫交交变频器,目前这种变频器在超大功率、低速调速有应用。其输出频率范围为:0-17(1/2-1/3 输入电压频率),所以不能满足许多应用的要求,而且当时没有IGBT,只有SCR,所以应用范围有限。
交交变频器其工作原理是将三相工频电源经过几组相控开关控制直接产生所需要变压变频电源,其优点是效率高,能量可以方便返回电网,其最大的缺点输出的最高频率必须小于输入电源频率1/3或1/2,否则输出波形太差,电机产生抖动,不能工作。故交交变频器至今局限低转速调速场合,因而大大限制了它的使用范围。

矩阵式变频器是一种交交直接变频器,由九个直接接于三相输入和输出之间的开关阵组成。矩阵变换器没有中间直流环节,输出由三个电平组成,谐波含量比较小;其功率电路简单、紧凑,并可输出频率、幅值及相位可控的正弦负载电压;矩阵变换器的输入功率因数可控,可在四象限工作。
虽然矩阵变换器有很多优点,但是在其换流过程中不允许存在两个开关同时导通的或者关断的现象,实现起来比较困难。矩阵变换器最大输出电压能力低,器件承受电压高也是此类变换器一个很大缺点。
应用在风力发电中,由于矩阵变换器的输入输出不解耦,即无论是负载还是电源侧的不对称都会影响到另一侧。另外,矩阵变换器的输入端必须接滤波电容,虽然其电容的容量比交直交的中间储能电容小,但由于它们是交流电容,要承受开关频率的交流电流,其体积并不小。

交-交变频就是直接变频,少了一个环节,但是用的器件量很多,三相的需要36个晶闸管,控制复杂。我们老师开玩笑说谁调通了36个管子就可以立即毕业。还有交-交变频只能往工频一下调节频率,一般调到工频的1/3-1/2,差不多20Hz。
2、我们把这种交流变直流而后再变交流这种变频器叫交直交变频器,分为两种,一种是交直交电压型,另外一种是交直交电流型。其中前者广泛使用,现在的通用变频器就是采用这种拓扑。
其特点是:中间为电解电容储存提供母线电压,前级采用二极管不控整流,简单可靠,逆变采用三相PWM调制(目前调制算法是空间电压矢量)。由于采用了一定容量的电解电容,所以直流母线电压稳定,此时只要控制好逆变IGBT的开关顺序(输出相序、频率)和占空比(输出电压大小),就可以获得非常优越的控制特性。
交—直—交变频器则是先把交流电经整流器先整流成直流电,直流中间电路对整流电路的输出进行平滑滤波,再经过逆变器把这个直流电流变成频率和电压都可变的交流电。
交直交变频器又可以分为电压型和电流型两种,由于控制方法和硬件设计等各种因素,电压型逆变器应用比较广泛。传统的电流型交直交变频器采用自然换流的晶闸管作为功率开关,其直流侧电感比较昂贵,而且应用于双馈调速中,在过同步速时需要换流电路,在低转差频率的条件下性能也比较差,在双馈异步风力发电中应用的不多。
采用电压型交直交变频器这种整流变频装置具有结构简单、谐波含量少、定转子功率因数可调等优异特点,可以明显地改善双馈发电机的运行状态和输出电能质量,并且该结构通过直流母线侧电容完全实现了网侧和转子侧的分离。
电压型交直交变频器的双馈发电机定子磁场定向矢量控制系统,实现了基于风机最大功率点跟踪的发电机有功和无功的解耦控制,是目前变速恒频风力发电的一个代表方向。

此外,还有一种并联的交直交逆变器拓扑结构。这种结构的主要思想是通过一个交直交电流型和一个交直交电压型变频器并联,电流型逆变器作为主逆变器负责功率传输,电压型逆变器作为辅逆变器负责补偿电流型逆变器谐波。
这种结构主逆变器有较低的开关频率,辅逆变器有较低的开关电流。同上面提到的交直交电压型逆变器相比较,该拓扑结构具有低开关损耗,整个系统的效率比较高。其缺点也是显而易见的,大量电力电子器件的使用导致成本的上升以及更加复杂的控制算法,另外该种结构电压利用率比较低。

3、尽管交—直—交变频器具有输出频率高、功率因数高等优点,但交—直—交变频器仍存在许多待改进的问题:
(1)当前大功率高电压电力电子器件处在发展期,GTO元件面临淘汰,IGBT,IGCT尚待成熟;
(2)采用IGCT(或者GTO)、IECT的变流器,器件故障造成直通短路的保护还是难题;电源侧变流器如果发生直通短路会造成电网短路,所以变流器必须采用高漏抗输入变压器,一般要求15%,甚至高达20%;
(3)交—直—交变频器低频运行时过载能力减低,一般运行在5Hz以下时变频器过载能力减半;
(4)交—直—交变频器输出PWM调制电压波形的电压变化率du/dt很高,容易造成电机和电器的绝缘疲劳损伤;输出导线较长时,共模反射电压会在电机侧产生很高的电压,如果是两电平的变流器,这个电压的峰值是直流电压的两倍,如果是三电平的变流器,这个电压的峰值是中间一半电压的三倍;
交—直—交变频器PWM调制将产生谐波、噪声、轴电流等问题。
免责声明:文章来源于网络或个人发表,如有侵权请联系删除(13802804900)
1、变频器的发展也同样要经历一个徐徐渐进的过程,最初的变频器并不是采用这种交直交:交流变直流而后再变交流这种拓扑,而是直接交交,无中间直流环节。这种变频器叫交交变频器,目前这种变频器在超大功率、低速调速有应用。其输出频率范围为:0-17(1/2-1/3 输入电压频率),所以不能满足许多应用的要求,而且当时没有IGBT,只有SCR,所以应用范围有限。
交交变频器其工作原理是将三相工频电源经过几组相控开关控制直接产生所需要变压变频电源,其优点是效率高,能量可以方便返回电网,其最大的缺点输出的最高频率必须小于输入电源频率1/3或1/2,否则输出波形太差,电机产生抖动,不能工作。故交交变频器至今局限低转速调速场合,因而大大限制了它的使用范围。

矩阵式变频器是一种交交直接变频器,由九个直接接于三相输入和输出之间的开关阵组成。矩阵变换器没有中间直流环节,输出由三个电平组成,谐波含量比较小;其功率电路简单、紧凑,并可输出频率、幅值及相位可控的正弦负载电压;矩阵变换器的输入功率因数可控,可在四象限工作。
虽然矩阵变换器有很多优点,但是在其换流过程中不允许存在两个开关同时导通的或者关断的现象,实现起来比较困难。矩阵变换器最大输出电压能力低,器件承受电压高也是此类变换器一个很大缺点。
应用在风力发电中,由于矩阵变换器的输入输出不解耦,即无论是负载还是电源侧的不对称都会影响到另一侧。另外,矩阵变换器的输入端必须接滤波电容,虽然其电容的容量比交直交的中间储能电容小,但由于它们是交流电容,要承受开关频率的交流电流,其体积并不小。

交-交变频就是直接变频,少了一个环节,但是用的器件量很多,三相的需要36个晶闸管,控制复杂。我们老师开玩笑说谁调通了36个管子就可以立即毕业。还有交-交变频只能往工频一下调节频率,一般调到工频的1/3-1/2,差不多20Hz。
2、我们把这种交流变直流而后再变交流这种变频器叫交直交变频器,分为两种,一种是交直交电压型,另外一种是交直交电流型。其中前者广泛使用,现在的通用变频器就是采用这种拓扑。
其特点是:中间为电解电容储存提供母线电压,前级采用二极管不控整流,简单可靠,逆变采用三相PWM调制(目前调制算法是空间电压矢量)。由于采用了一定容量的电解电容,所以直流母线电压稳定,此时只要控制好逆变IGBT的开关顺序(输出相序、频率)和占空比(输出电压大小),就可以获得非常优越的控制特性。
交—直—交变频器则是先把交流电经整流器先整流成直流电,直流中间电路对整流电路的输出进行平滑滤波,再经过逆变器把这个直流电流变成频率和电压都可变的交流电。
交直交变频器又可以分为电压型和电流型两种,由于控制方法和硬件设计等各种因素,电压型逆变器应用比较广泛。传统的电流型交直交变频器采用自然换流的晶闸管作为功率开关,其直流侧电感比较昂贵,而且应用于双馈调速中,在过同步速时需要换流电路,在低转差频率的条件下性能也比较差,在双馈异步风力发电中应用的不多。
采用电压型交直交变频器这种整流变频装置具有结构简单、谐波含量少、定转子功率因数可调等优异特点,可以明显地改善双馈发电机的运行状态和输出电能质量,并且该结构通过直流母线侧电容完全实现了网侧和转子侧的分离。
电压型交直交变频器的双馈发电机定子磁场定向矢量控制系统,实现了基于风机最大功率点跟踪的发电机有功和无功的解耦控制,是目前变速恒频风力发电的一个代表方向。

此外,还有一种并联的交直交逆变器拓扑结构。这种结构的主要思想是通过一个交直交电流型和一个交直交电压型变频器并联,电流型逆变器作为主逆变器负责功率传输,电压型逆变器作为辅逆变器负责补偿电流型逆变器谐波。
这种结构主逆变器有较低的开关频率,辅逆变器有较低的开关电流。同上面提到的交直交电压型逆变器相比较,该拓扑结构具有低开关损耗,整个系统的效率比较高。其缺点也是显而易见的,大量电力电子器件的使用导致成本的上升以及更加复杂的控制算法,另外该种结构电压利用率比较低。

3、尽管交—直—交变频器具有输出频率高、功率因数高等优点,但交—直—交变频器仍存在许多待改进的问题:
(1)当前大功率高电压电力电子器件处在发展期,GTO元件面临淘汰,IGBT,IGCT尚待成熟;
(2)采用IGCT(或者GTO)、IECT的变流器,器件故障造成直通短路的保护还是难题;电源侧变流器如果发生直通短路会造成电网短路,所以变流器必须采用高漏抗输入变压器,一般要求15%,甚至高达20%;
(3)交—直—交变频器低频运行时过载能力减低,一般运行在5Hz以下时变频器过载能力减半;
(4)交—直—交变频器输出PWM调制电压波形的电压变化率du/dt很高,容易造成电机和电器的绝缘疲劳损伤;输出导线较长时,共模反射电压会在电机侧产生很高的电压,如果是两电平的变流器,这个电压的峰值是直流电压的两倍,如果是三电平的变流器,这个电压的峰值是中间一半电压的三倍;
交—直—交变频器PWM调制将产生谐波、噪声、轴电流等问题。
免责声明:文章来源于网络或个人发表,如有侵权请联系删除(13802804900)



