变频器控制电机运行最常用的两种方式
当变频器主电路接好电源线之后,要控制电动机的运行,还需要给有关端子接上外围接控制电路,并且将变频器的启动方式参数设为外部操作模式。

变频器控制电动机运转,常见的有两种方式,分别是开关控制方式和继电器控制方式:
一、开关控制的正转控制电路
开关控制的转控制电路如下图所示,它是依靠手动操作变频器STF端子外接开关SA,来对电动机进行正转控制。

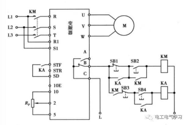
开关控制方式
电路工作原理说明如下:
1、启动准备:按下按钮SB2,接触器KM线圈得电,KM常开辅助触点和主触点均闭合,常开辅助触点闭合锁定KM线圈得电自锁,KM主触点闭合为变频器接通主电源。
2、正转控制:按下变频器STF端子外接开关SA,STF、SD端子接通,相当于STF端子输、输入正转控制信号,变频器U、V、W端子输出正转电源电压,驱动电动机正向运转。调节端子外 电位器R,变频器输出电源频率会发生改变,电动机转速也随之变化。
3、变频器异常保护:若变频器运行期间出现异常或故障,变频器B、C端子间内部等效的常闭开关断开,接触器KM线圈失电,KM主触点断开,切断变频器输入电源,对变频器进行保护。
4、停转控制:在变频器正常工作时,将开关SA断开,STF、 SD端子断开,变频器停止输出电源,电动机停转。
若要切断变频器输入主电源,可按下按钮SB1,接触器KM线圈失电,KM主触点断开,变频器输入电源被切断。
继电器控制的正转控制电路如下图所示

继电器控制方式
电路工作原理说明如下:
1、启动准备:按下按钮SB2,接触器KM线圈得电,KM主触点和两个常开辅助触点均闭合,KM主触点闭合为变频器接通主电源,一个KM常开辅助触点闭合,锁定KM线圈得电,另一个KM常开辅助触点闭合,为继电器K中间A线圈得电作准备。
2、正转控制:按下按钮SB4,继电器KA线圈得电,3 个KA常开触点均闭合,一个常开触点闭合锁定KA线圈得电,一个常开触点闭合将按钮SB1短接,还有一个常开触点闭合将STF、SD端子接通,相当于STF端子输入正转控制信号,变翻器U、V、W端子输出正转电源电压,驱动电动机正向运转。调节端子外接的电位器R,变频器的输出电源频率会发生改变,电动机转速也随之变化。
3、变频器异常保护:若变频器异常期间出现故障,变频器B、C端子之间内部等效的常闭开关断开,接触器KM线圈失电,KM主触点断开,切断变频器输入人电源,对变频器进行保护,同时继电器KA线圈也失电,3个KA常开触点均断开。
4、停转控制:在变频器正常工作时,按下按钮SB3,KA线圈失电,KA 3个常开触点均断开,其中一个KA常开触点断开使STF、SI)端子连接切断,变频器停止输出电源,电动机停转。
在变频器运行时,若要切断变频器输入主电源,须先对变频器进行停转控制,再按下按钮SB1,接触器KM线圈失电,KM主触点断开,变频器输入电源被切断,如果没有对变频器进行停转控制,而直接去按SB1,是无法切断变频器输入主电源的。
这是因为变频器正常工作时KA常开触点已将SB1短接,断开SB1无效,这样做可以防止在变频器工作时误操作SB1切断主电源。

免责声明:文章来源于网络或个人发表,如有侵权请联系删除(13802804900)



