固态继电器的应用和特性
固态继电器(solidstate relay,简称SSR)是把光控晶闸管和发光二极管封装在一起,两者间保证电的隔离,只有光的联系,和继电器里的线圈与接点互相隔离一样,通过发光管的亮和灭就能控制晶闸管电路的通断,其功能与普通电磁继电器一样。固态继电器除了在电路通断过程中无机械运动、无接点、因而没有磨损和火花之外,又把弱电控制信号和强电被控制电路隔离开来,把继电器的功能和优点都体现了出来,同时由克服了继电器的缺点。

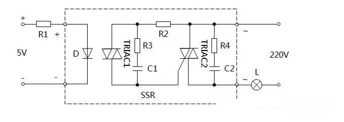
固态继电器的原理如图1所示:

图1
固态继电器原理
控制电路的直流电压经过限流电阻R1后,得到大约10-20mA的电流,使发光管D发亮,引起小功率光控晶闸管(在此是双向晶闸管)TRIAC1导通,用它触发主电路里的大功率双向晶闸管TRIAC2,使之导通,于是负载L得电。图中其余电阻电容为过压保护及限流之用。
由图可知,固态继电器有四个引出端,其中两个标有正负号的应按照极性接直流触发信号,其电流不可太大,一般在25mA以下,以免烧毁发光管。另外两个标有“AC”或“~”的端子和负载串联后接在交流电路里。如果被控制的功率大,这两个端子上的导线应该较粗。
固态继电器的种类相当多,其中为控制直流电路而用的直流固态继电器,常常是由光电隔离线路和大功率晶体管组合而成的。应用最广泛的还是交流固态继电器。但是后者也并不都是用双向晶闸管(TRIAC)构成的,有的是用两个普通晶闸管(SCR),以反向并联的方式控制交流主电路的。就其触发方式来看,虽然多半用过零触发的方式(也叫零压型,或“Z”型),但是也有移相触发的(也叫调相型,或“P”型)品种,固态继电器采用移相触发时会产生较大的高次谐波电磁干扰。

固态继电器应用
①国外的SSR触发信号(即通过发光管的电流)推荐值为直流10mA,国产的SSR触发信号推荐值为直流12-25mA。
②多个SSR可以用同一个触发信号,这在三相交流负载的控制上常常用到。例如,用两个SSR分别串联在两个相里另外一相不控制,这种情况下两个SSR必须同时通断,用同一触发信号就可以保证同时动作。这时把两个SSR 的触发电路串起来驱动,每一个SSR按4V压降考虑,12V可驱动三个。
③用SSR控制三相电动机换向时,可用四个SSR分则接在正反转电路里,另一相不控制, 但是要特别注意:必须在电机停稳之后才允许换向, 以免正在导通的SSR尚未关断就导通了另外的SSR。
④用SSR也要注意保护,用快速熔断器时,建议按额定工作电流的1.2倍选用。
⑤固态继电器的交流工作电压有220V和380V等规格,交流工作电流有1A,3A,5A,10A等规格,外形尺寸及安装方式也不尽相同,选用时要注意。
固态继电器的驱动信号通常来自温控器或者移相触发器,如果要熟练使用固态继电器,一般多用于温控器或者移相触发器。

固态继电器的作用及优缺点
SSR固态继电器是一种新型无触点开关器件,在接通和断开的过程中不会产生触点以及火花。固态继电器的作用在于,它既能够尽可能地使驱动功能强化,又具备了强大的隔离功能,在开关过程中无机械接触部件,因此固态继电器除具有与电磁继电器一样的功能外,还具有逻辑电路兼容,耐振耐机械冲击,安装位置无限制,具有良好的防潮防霉防腐蚀性能,在防爆和防止臭氧污染方面的性能也极佳,输入功率小,灵敏度高,控制功率小,电磁兼容性好,噪声低和工作频率高等特点。
固态继电器分类
SSR固态继电器是由微电子电路、分立电子器件以及电力电子功率器件组成的无触点开关。对固态继电器的分类可以从以下几点着手:从使用的场合角度来说,固态继电器可以分为交流型和直流型;从开关方式角度来说,固态继电器可以分为电压过零导通型和随机导通型;从输出的开关元件角度来说,固态继电器可以分为双向可控硅输出型和单向可控硅反并联型;从安装方式角度来说,固态继电器可分为印刷路板上用的针插式和固定在金属底板上的装置式;从输入端角度来说,固态继电器可以分为恒流源型和串电阻限流型;从触发形式角度来说,固态继电器可以分为零压型和调相型。
固态继电器特点
1、SSR内部无机械部件,结构上采用了灌注全密封方式,因此,SSR具有耐振、耐腐蚀、长寿命及高可靠等优点,其开关寿命高达1010万次。
2、低噪声:交流型SSR采用了过零触发技术,因此在线路上有效地降低了电压上升速率dv/dt和电流上升速率di/dt值,使SSR长期工作时对市电的干扰极小。
3、开关时间短,约为10ms,可应用在频率较高的场合。
4、输入电路与输出电路之间采用光电隔离,绝缘电压2500V以上。
5、输入功耗很低,与TTL,COMS电路兼容。
6、输出端有保护电路。
7、负载能力强。

SSR固态继电器优点
1、高寿命,高可靠:固态继电器没有机械零部件,由固体器件完成触点功能,由于没有运动的零部件,因此能在高冲击,振动的环境下工作,由于组成固态继电器的元器件的固有特性,决定了固态继电器的寿命长,可靠性高。
2、灵敏度高,控制功率小,电磁兼容性好:固态继电器的输入电压范围较宽,驱动功率低,可与大多数逻辑集成电路兼容不需加缓冲器或驱动器。
3、快速转换:固态继电器因为采用固体器件,所以切换速度可从几毫秒至几微秒。
4、电磁干扰小:固态继电器没有输入“线圈”,没有触点燃弧和回跳,因而减少了电磁干扰。大多数交流输出固态继电器是一个零电压开关,在零电压处导通,零电流处关断,减少了电流波形的突然中断,从而减少了开关瞬态效应。
SSR固态继电器缺点
1、导通后的管压降大,可控硅或双向控硅的正向降压可达1~2V,大功率晶体管的饱和压降也在1~2V之间,一般功率场效应管的导通电阻也较机械触点的接触电阻大。
2、半导体器件关断后仍可有数微安至数毫安的漏电流,因此不能实现理想的电隔离。
3、由于管压降大,导通后的功耗和发热量也大,大功率固态继电器的体积远远大于同容量的电磁继电器,成本也较高。
4、电子元器件的温度特性和电子线路的抗干扰能力较差,耐辐射能力也较差,如不采取有效措施,则工作可靠性低。
5、固态继电器对过载有较大的敏感性,必须用快速熔断器或RC阻尼电路对其进行过载保护。固态继电器的负载与环境温度明显有关,温度升高,负载能力将迅速下降。
6、SSR固态继电器主要不足是存在通态压降(需相应散热措施),有断态漏电流,交直流不能通用,触点组数少,另外过电流、过电压及电压上升率、电流上升率等指标差。
固态继电器的应用现状分析
单相固态继电器和三相固态继电器具有直流输入控制、交流过零导通和过零关断输出的特点。在对电流进行控制的操作中,单相/三相固态继电器可以从零电压起发动,并能够在将di/dt比值降低后减小对电网辐射的影响,而且还可以确保发动时的稳定性。此外,在零电压关断时,其仍然可以通过将负载的反电动势降低下对固态继电器及其他的使用电器进行保护。
固态继电器作为一种由微电子电路、分立电子器件以及电力电子功率器件组成的新型无触点开关器件,具有可靠性高、寿命长、受电磁干扰影响小、转换速度快、输入功率低等特点。与传统的机电继电器相比,固态继电器具有十足的优势所在,以此确保了其在目前各行业领域中的应用价值。

固态继电器的原理如图1所示:

图1
固态继电器原理
控制电路的直流电压经过限流电阻R1后,得到大约10-20mA的电流,使发光管D发亮,引起小功率光控晶闸管(在此是双向晶闸管)TRIAC1导通,用它触发主电路里的大功率双向晶闸管TRIAC2,使之导通,于是负载L得电。图中其余电阻电容为过压保护及限流之用。
由图可知,固态继电器有四个引出端,其中两个标有正负号的应按照极性接直流触发信号,其电流不可太大,一般在25mA以下,以免烧毁发光管。另外两个标有“AC”或“~”的端子和负载串联后接在交流电路里。如果被控制的功率大,这两个端子上的导线应该较粗。
固态继电器的种类相当多,其中为控制直流电路而用的直流固态继电器,常常是由光电隔离线路和大功率晶体管组合而成的。应用最广泛的还是交流固态继电器。但是后者也并不都是用双向晶闸管(TRIAC)构成的,有的是用两个普通晶闸管(SCR),以反向并联的方式控制交流主电路的。就其触发方式来看,虽然多半用过零触发的方式(也叫零压型,或“Z”型),但是也有移相触发的(也叫调相型,或“P”型)品种,固态继电器采用移相触发时会产生较大的高次谐波电磁干扰。

固态继电器应用
①国外的SSR触发信号(即通过发光管的电流)推荐值为直流10mA,国产的SSR触发信号推荐值为直流12-25mA。
②多个SSR可以用同一个触发信号,这在三相交流负载的控制上常常用到。例如,用两个SSR分别串联在两个相里另外一相不控制,这种情况下两个SSR必须同时通断,用同一触发信号就可以保证同时动作。这时把两个SSR 的触发电路串起来驱动,每一个SSR按4V压降考虑,12V可驱动三个。
③用SSR控制三相电动机换向时,可用四个SSR分则接在正反转电路里,另一相不控制, 但是要特别注意:必须在电机停稳之后才允许换向, 以免正在导通的SSR尚未关断就导通了另外的SSR。
④用SSR也要注意保护,用快速熔断器时,建议按额定工作电流的1.2倍选用。
⑤固态继电器的交流工作电压有220V和380V等规格,交流工作电流有1A,3A,5A,10A等规格,外形尺寸及安装方式也不尽相同,选用时要注意。
固态继电器的驱动信号通常来自温控器或者移相触发器,如果要熟练使用固态继电器,一般多用于温控器或者移相触发器。

固态继电器的作用及优缺点
SSR固态继电器是一种新型无触点开关器件,在接通和断开的过程中不会产生触点以及火花。固态继电器的作用在于,它既能够尽可能地使驱动功能强化,又具备了强大的隔离功能,在开关过程中无机械接触部件,因此固态继电器除具有与电磁继电器一样的功能外,还具有逻辑电路兼容,耐振耐机械冲击,安装位置无限制,具有良好的防潮防霉防腐蚀性能,在防爆和防止臭氧污染方面的性能也极佳,输入功率小,灵敏度高,控制功率小,电磁兼容性好,噪声低和工作频率高等特点。
固态继电器分类
SSR固态继电器是由微电子电路、分立电子器件以及电力电子功率器件组成的无触点开关。对固态继电器的分类可以从以下几点着手:从使用的场合角度来说,固态继电器可以分为交流型和直流型;从开关方式角度来说,固态继电器可以分为电压过零导通型和随机导通型;从输出的开关元件角度来说,固态继电器可以分为双向可控硅输出型和单向可控硅反并联型;从安装方式角度来说,固态继电器可分为印刷路板上用的针插式和固定在金属底板上的装置式;从输入端角度来说,固态继电器可以分为恒流源型和串电阻限流型;从触发形式角度来说,固态继电器可以分为零压型和调相型。
固态继电器特点
1、SSR内部无机械部件,结构上采用了灌注全密封方式,因此,SSR具有耐振、耐腐蚀、长寿命及高可靠等优点,其开关寿命高达1010万次。
2、低噪声:交流型SSR采用了过零触发技术,因此在线路上有效地降低了电压上升速率dv/dt和电流上升速率di/dt值,使SSR长期工作时对市电的干扰极小。
3、开关时间短,约为10ms,可应用在频率较高的场合。
4、输入电路与输出电路之间采用光电隔离,绝缘电压2500V以上。
5、输入功耗很低,与TTL,COMS电路兼容。
6、输出端有保护电路。
7、负载能力强。

SSR固态继电器优点
1、高寿命,高可靠:固态继电器没有机械零部件,由固体器件完成触点功能,由于没有运动的零部件,因此能在高冲击,振动的环境下工作,由于组成固态继电器的元器件的固有特性,决定了固态继电器的寿命长,可靠性高。
2、灵敏度高,控制功率小,电磁兼容性好:固态继电器的输入电压范围较宽,驱动功率低,可与大多数逻辑集成电路兼容不需加缓冲器或驱动器。
3、快速转换:固态继电器因为采用固体器件,所以切换速度可从几毫秒至几微秒。
4、电磁干扰小:固态继电器没有输入“线圈”,没有触点燃弧和回跳,因而减少了电磁干扰。大多数交流输出固态继电器是一个零电压开关,在零电压处导通,零电流处关断,减少了电流波形的突然中断,从而减少了开关瞬态效应。
SSR固态继电器缺点
1、导通后的管压降大,可控硅或双向控硅的正向降压可达1~2V,大功率晶体管的饱和压降也在1~2V之间,一般功率场效应管的导通电阻也较机械触点的接触电阻大。
2、半导体器件关断后仍可有数微安至数毫安的漏电流,因此不能实现理想的电隔离。
3、由于管压降大,导通后的功耗和发热量也大,大功率固态继电器的体积远远大于同容量的电磁继电器,成本也较高。
4、电子元器件的温度特性和电子线路的抗干扰能力较差,耐辐射能力也较差,如不采取有效措施,则工作可靠性低。
5、固态继电器对过载有较大的敏感性,必须用快速熔断器或RC阻尼电路对其进行过载保护。固态继电器的负载与环境温度明显有关,温度升高,负载能力将迅速下降。
6、SSR固态继电器主要不足是存在通态压降(需相应散热措施),有断态漏电流,交直流不能通用,触点组数少,另外过电流、过电压及电压上升率、电流上升率等指标差。
固态继电器的应用现状分析
单相固态继电器和三相固态继电器具有直流输入控制、交流过零导通和过零关断输出的特点。在对电流进行控制的操作中,单相/三相固态继电器可以从零电压起发动,并能够在将di/dt比值降低后减小对电网辐射的影响,而且还可以确保发动时的稳定性。此外,在零电压关断时,其仍然可以通过将负载的反电动势降低下对固态继电器及其他的使用电器进行保护。
固态继电器作为一种由微电子电路、分立电子器件以及电力电子功率器件组成的新型无触点开关器件,具有可靠性高、寿命长、受电磁干扰影响小、转换速度快、输入功率低等特点。与传统的机电继电器相比,固态继电器具有十足的优势所在,以此确保了其在目前各行业领域中的应用价值。
免责声明:文章来源于网络或个人发表,如有侵权请联系删除(13802804900)



